
Model |
Material |
Full Tank Capacity (Liters) |
Actual Capacity (Liters) |
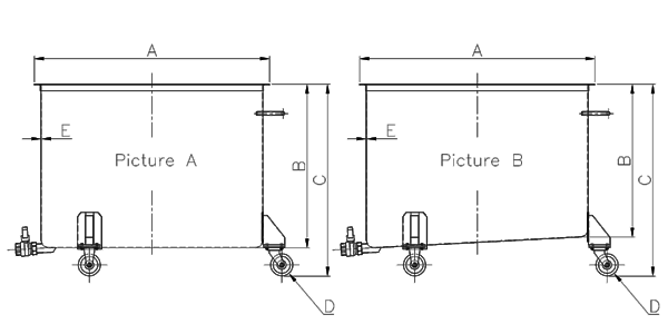
A Diameter (mm) |
B Height (mm) |
C Overall (mm) |
D Wheel (inch) |
E Thickness (mm) |
Weight (kg) |
T 20 S / 20 SS |
Steel and Stainless
|
25 |
20 |
260 |
390 |
455 |
2 |
1.5 |
0 |
T 30 S / 30 SS |
36 |
30 |
300 |
435 |
500 |
2 |
1.5 |
0 |
|
T 50 S / 50 SS |
60 |
50 |
375 |
450 |
515 |
2 |
1.5 |
0 |
|
T 100 S / 100 SS |
120 |
100 |
525 |
525 |
675 |
4 |
2 |
0 |
|
T 150 S / 150 SS |
180 |
150 |
600 |
600 |
750 |
4 |
2 |
0 |
|
T 200 S / 200 SS |
240 |
200 |
675 |
675 |
825 |
4 |
2 |
0 |
|
T 300 S / 300 SS |
360 |
300 |
750 |
750 |
1150 |
6 |
3 |
0 |
|
T 500 S / 500 SS |
600 |
500 |
825 |
950 |
1325 |
6 |
3 |
0 |
|
T 700 S / 700 SS |
840 |
700 |
900 |
1125 |
1325 |
6 |
3 |
0 |
|
T 1000 S / 1000 SS |
1200 |
1000 |
1070 |
1125 |
1325 |
6 |
3 |
0 |
|
T 1500 S / 1500 SS |
1800 |
1500 |
1310 |
1125 |
1325 |
6 |
4.5 |
0 |
|
T 2000 S / 2000 SS |
2400 |
2000 |
1510 |
1125 |
1325 |
6 |
4.5 |
0 |
234 Moo 5, Prakasa Rd., Prakasa, Muang, Samutprakarn, Thailand. 10280
Tel : [662] 728 5246 - 8
Fax : [662] 728 5249
Thailand : info@p-general.com
Overseas : sales@p-general.com
Copyright © 2015. All Rights Reserved. by p-general.com
